Деревянный дом 166 м2

Стоимость:уточняйте руб.
Общая стоимость строительства включает:
- Сруб, средний диаметр 22 см., срублен «в чашу» или «в лапу», высотой 3,00 метра, обработанный ЭЛЕКТРОРУБАНКОМ, нижний венец обработан АНТИСЕПТИКОМ.
- Половые и потолочные лаги
- Стропильная конструкция – брус 50х150 мм.
- Фронтоны крыши – доска обрезная 25х150 мм.
- Обрешетка крыши – доска обрезная 25х150 мм.
- Черновой пол на первом этаже, доска обрезная 25 х 150мм
- Доставка до участка в Московской области.
- Погрузо-разгрузочные работы.
- Установка дома «под крышу» на участке заказчика.
- Кровля крыши рубероидом.
-
Высота 1 этажа – 2,70 метра (в чистоте).
Высота 2 этажа – 2,50 метра (в чистоте).
Предоплата от 10%

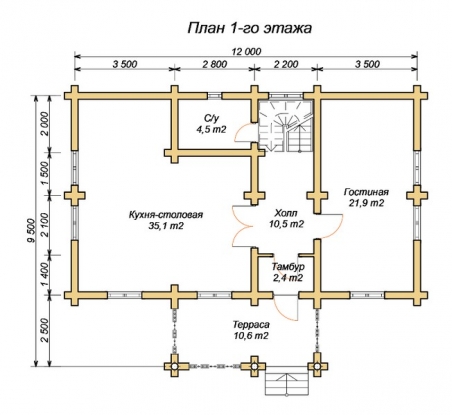
эскизный проект деревянный дом 166м 1-й этаж

эскизный проект деревянный дом 166м 2-й этаж
